| Количество: | |
|---|---|
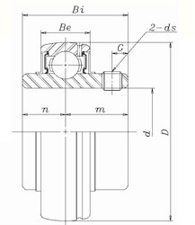
Радиальный вкладыш подшипника YAR204-2F YAR205-2F sturcture:

Радиальный вкладыш YAR204-2F YAR205-2F Перекрестная ссылка
| гигабайт | Нет. | Нет. | Подшипник №. | Номер подшипника |
| UCS201 | UCS201 | UCW201 |
| YAR203 / 12-2F |
| UCS201-8 | UCS201-8 | UCW201-8 | GY1008KRRB |
|
| UCS202-9 | UCS202-9 | UCW202-9 | GY1009KRRB |
|
| UCS202 | UCS202 | UCW202 | GYE15KRRB | YAR203 / 15-2F |
| UCS202-10 | UCS202-10 | UCW202-10 | GY1010KRRB |
|
| UCS203 | UCS203 | UCW203 | GYE17KRRB | YAR203-2F |
| UCS203-11 | UCS203-11 | UCW203-11 | GY1011KRRB |
|
| UC201 | UC201 | UC201 |
|
|
| UC201-8 | UC201-8 | UC201-008 |
|
|
| UC202 | UC202 | UC202 |
|
|
| UC202-9 | UC202-9 | UC202-009 |
|
|
| UC202-10 | UC202-10 | UC202-010 |
|
|
| UC203 | UC203 | UC203 |
|
|
| UC203-11 | UC203-11 | UC203-011 |
|
|
| UC204 | UC204 | UC204 | GYE20KRRB | YAR204-2F |
| UC204-12 | UC204-12 | UC204-012 | GY1012KRRB | YAR204-012-2F |
| UC205 | UC205 | UC205 | GYE25KRRB | YAR205-2F |
| UC205-13 | UC205-13 | UC205-013 | GY1013KRRB |
|
| UC205-14 | UC205-14 | UC205-014 | GY1014KRRB |
|
| UC205-15 | UC205-15 | UC205-015 | GY1015KRRB |
|
| UC205-16 | UC205-16 | UC205-100 | GY1100KRRB | YAR205-100-2F |
| UC206 | UC206 | UC206 | GYE30KRRB | YAR206-2F |
| UC206-17 | UC206-17 | UC206-101 | GY1101KRRB |
|
| UC206-18 | UC206-18 | UC206-102 | GY1102KRRB |
|
| UC206-19 | UC206-19 | UC206-103 | GY1103KRRB |
|
| UC206-20 | UC206-20 | UC206-104 | GY1103KRRB3 | YAR206-104-2F |
| UC207 | UC207 | UC207 | GYE35KRRB | YAR207-2F |
| UC207-20 | UC207-20 | UC207-104 | GY1104KRRB |
|
| UC207-21 | UC207-21 | UC207-105 | GY1105KRRB |
|
| UC207-22 | UC207-22 | UC207-106 | GY1106KRRB |
|
| UC207-23 | UC207-23 | UC207-107 | GY1107KRRB |
|
| UC208 | UC208 | UC208 | GYE40KRRB | YAR208-2F |
| UC208-24 | UC208-24 | UC208-108 | GY1108KRRB | YAR208-108-2F |
| UC208-25 | UC208-25 | UC208-109 | GY1109KRRB |
|
| UC209 | UC209 | UC209 | GYE45KRRB | YAR209-2F |
| UC209-26 | UC209-26 | UC209-110 | GY1110KRRB |
|
| UC209-27 | UC209-27 | UC209-111 | GY1111KRRB |
|
| UC209-28 | UC209-28 | UC209-112 | GY1112KRRB | YAR209-112-2F |
| UC210 | UC210 | UC210 | GYE50KRRB | YAR210-2F |
| UC210-29 | UC210-29 | UC210-113 | GY1113KRRB |
|
| UC210-30 | UC210-30 | UC210-114 | GY1114KRRB |
|
| UC210-31 | UC210-31 | UC210-115 | GY1115KRRB |
|
| UC210-32 | UC210-32 | UC210-200 | GY1115KRRB2 |
|
| Вещь | Вставить подшипник |
| Серии | UC, UK, SA, SB, SER, HC, NA, SUC и т. Д. |
| материал | Хромированная сталь GCr15 / нержавеющая сталь |
| Прецизионный класс | P0 (ABEC-1), P6 (ABEC-3), P5 (ABEC-5) |
| Стандарты внутреннего зазора | C2, C0, C3, C4, C5 |
| вибрация | Z1V1, Z2V2, Z3V3 |
| клеть | Штамповочная сталь, нейлон |
| заявка | сельскохозяйственной машиной, прокатной машиной, шахтной промышленностью, металлургией, пластиковой машиной и т. д. |
| стандарт | ISO9001: 2008 |
| упаковка | Оригинальный полиэтиленовый пакет + Бумажная коробка + Картонная коробка + Деревянный поддон; |
| Особые пожелания Клиента приемлемы. | |
| обслуживание | OEM-сервис, услуга настройки, ярлык покупателя; |
|
|
|

Радиальный вкладыш подшипника YAR204-2F YAR205-2F sturcture:

Радиальный вкладыш YAR204-2F YAR205-2F Перекрестная ссылка
| гигабайт | Нет. | Нет. | Подшипник №. | Номер подшипника |
| UCS201 | UCS201 | UCW201 |
| YAR203 / 12-2F |
| UCS201-8 | UCS201-8 | UCW201-8 | GY1008KRRB |
|
| UCS202-9 | UCS202-9 | UCW202-9 | GY1009KRRB |
|
| UCS202 | UCS202 | UCW202 | GYE15KRRB | YAR203 / 15-2F |
| UCS202-10 | UCS202-10 | UCW202-10 | GY1010KRRB |
|
| UCS203 | UCS203 | UCW203 | GYE17KRRB | YAR203-2F |
| UCS203-11 | UCS203-11 | UCW203-11 | GY1011KRRB |
|
| UC201 | UC201 | UC201 |
|
|
| UC201-8 | UC201-8 | UC201-008 |
|
|
| UC202 | UC202 | UC202 |
|
|
| UC202-9 | UC202-9 | UC202-009 |
|
|
| UC202-10 | UC202-10 | UC202-010 |
|
|
| UC203 | UC203 | UC203 |
|
|
| UC203-11 | UC203-11 | UC203-011 |
|
|
| UC204 | UC204 | UC204 | GYE20KRRB | YAR204-2F |
| UC204-12 | UC204-12 | UC204-012 | GY1012KRRB | YAR204-012-2F |
| UC205 | UC205 | UC205 | GYE25KRRB | YAR205-2F |
| UC205-13 | UC205-13 | UC205-013 | GY1013KRRB |
|
| UC205-14 | UC205-14 | UC205-014 | GY1014KRRB |
|
| UC205-15 | UC205-15 | UC205-015 | GY1015KRRB |
|
| UC205-16 | UC205-16 | UC205-100 | GY1100KRRB | YAR205-100-2F |
| UC206 | UC206 | UC206 | GYE30KRRB | YAR206-2F |
| UC206-17 | UC206-17 | UC206-101 | GY1101KRRB |
|
| UC206-18 | UC206-18 | UC206-102 | GY1102KRRB |
|
| UC206-19 | UC206-19 | UC206-103 | GY1103KRRB |
|
| UC206-20 | UC206-20 | UC206-104 | GY1103KRRB3 | YAR206-104-2F |
| UC207 | UC207 | UC207 | GYE35KRRB | YAR207-2F |
| UC207-20 | UC207-20 | UC207-104 | GY1104KRRB |
|
| UC207-21 | UC207-21 | UC207-105 | GY1105KRRB |
|
| UC207-22 | UC207-22 | UC207-106 | GY1106KRRB |
|
| UC207-23 | UC207-23 | UC207-107 | GY1107KRRB |
|
| UC208 | UC208 | UC208 | GYE40KRRB | YAR208-2F |
| UC208-24 | UC208-24 | UC208-108 | GY1108KRRB | YAR208-108-2F |
| UC208-25 | UC208-25 | UC208-109 | GY1109KRRB |
|
| UC209 | UC209 | UC209 | GYE45KRRB | YAR209-2F |
| UC209-26 | UC209-26 | UC209-110 | GY1110KRRB |
|
| UC209-27 | UC209-27 | UC209-111 | GY1111KRRB |
|
| UC209-28 | UC209-28 | UC209-112 | GY1112KRRB | YAR209-112-2F |
| UC210 | UC210 | UC210 | GYE50KRRB | YAR210-2F |
| UC210-29 | UC210-29 | UC210-113 | GY1113KRRB |
|
| UC210-30 | UC210-30 | UC210-114 | GY1114KRRB |
|
| UC210-31 | UC210-31 | UC210-115 | GY1115KRRB |
|
| UC210-32 | UC210-32 | UC210-200 | GY1115KRRB2 |
|
| Вещь | Вставить подшипник |
| Серии | UC, UK, SA, SB, SER, HC, NA, SUC и т. Д. |
| материал | Хромированная сталь GCr15 / нержавеющая сталь |
| Прецизионный класс | P0 (ABEC-1), P6 (ABEC-3), P5 (ABEC-5) |
| Стандарты внутреннего зазора | C2, C0, C3, C4, C5 |
| вибрация | Z1V1, Z2V2, Z3V3 |
| клеть | Штамповочная сталь, нейлон |
| заявка | сельскохозяйственной машиной, прокатной машиной, шахтной промышленностью, металлургией, пластиковой машиной и т. д. |
| стандарт | ISO9001: 2008 |
| упаковка | Оригинальный полиэтиленовый пакет + Бумажная коробка + Картонная коробка + Деревянный поддон; |
| Особые пожелания Клиента приемлемы. | |
| обслуживание | OEM-сервис, услуга настройки, ярлык покупателя; |
|
|
|
